VVS-Projektering BRF
VVS-Projektering
Vårt arbete med VVS-projektering börjar ofta med ett möte (med styrelsen) kring förväntningar i projektet, där vi tillsammans tar fram direktiv hur projekteringen skall utföras. Där går man igenom önskemål från hyresgäster och verksamhet, gällande lagar – och regler, praxis, eventuella förenklingar eller utökningar från traditionell projektering. Vi resonerar kring bekymmer som radon, fuktskador, OVK, kalldrag etc.
I VVS projekteringen samordnar vi med bl.a. byggnadsingenjör, arkitekter, energi- och miljökonsulter, leverantörer av system, kontrollansvarig (KA), entreprenörer samt bygg. VVS projekteringen utförs med tanke på en långsiktig förvaltning, och kostnadseffektiv drift och underhåll.
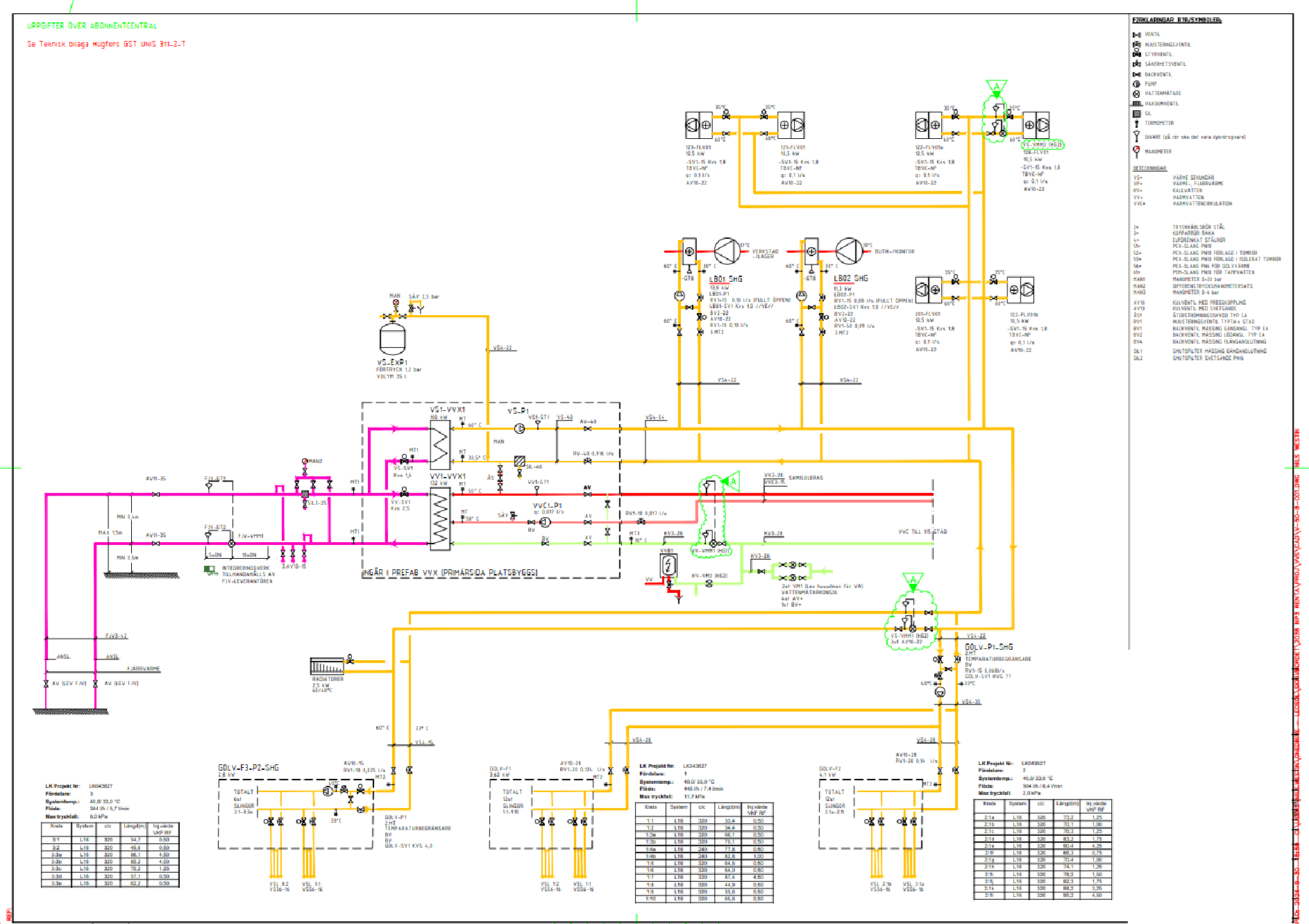
Vi ritar bl.a. rör (VS), ventilation, styr- och regler, samt utför nödvändiga beräkningar.
Arbetet är alltså konstruktion och upprättande av CAD-ritningar. Lösningarna konstrueras oftast med hänsyn till låg drift- och energikostnad bland annat med förnuftig hantering av brand, styr- och regler, injusteringar, buller mm. VVS-projektering är viktigt för att redan från början i byggprocessen börja planera för att få ett så bra inomhusklimat som möjligt.
I vissa fall samordnar vi upphandling av undermätningar, mätning av rumstemperaturer per lägenhet, vindsisoleringar, laddboxar m.m.
Våra övriga områden/tjänster förbättrar vår VVS projektering. De är bl.a. OVK (Obligatorisk Ventilations Kontroll), upphandlingar, injusteringar av ventilation, värme- och kylsystem, installationer av ventilation samt styr- och regler, energideklarationer, täthetsprovningar av klimatskal, energiberäkningar för bygglov, slutbesiktning av entreprenader.
Ett samarbete med oss ger ett avslappnat projekt som uppskattas av bl.a. styrelser.
Ofta upprättar vi sedan en rambeskrivning med VVS ritningar och stöttar med upphandlingen.
Bokning av startmöte för VVS Projektering
Med detta formulär gör ni en intresseanmälan. Boka så kontaktar vi er inom 2 vardagar.
Det går förstås även lika bra att boka t.ex. via telefon eller mail: 0910 76 46 10, info@leosol.se.
Genom att använda formuläret godkänner jag att Leosol Energi får behandla personuppgifterna enligt företagets Integritetspolicy.
Välj oss på Leosol för
KUNNIGA INGENJÖRER
VÄGEN TILL ETT GRÖNARE SAMHÄLLE
PRISVÄRD TJÄNST
EN ENKEL & SMIDIG BESTÄLLNING



